Robuster Miniatur-Drucktaster DIOH-GQ10-11J für industrielle Anwendungen
Der DIOH-GQ10-11J ist ein hochwertiger, vandalismussicherer Miniatur-Drucktaster mit einem Ø10 mm Befestigungsdurchmesser.
Er wurde für den industriellen Einsatz entwickelt und überzeugt durch seine kompakte Bauweise, hohe Zuverlässigkeit und langlebige Konstruktion –
ideal für Anwendungen mit begrenztem Platzangebot sowie hohen Anforderungen an Robustheit und Bedienkomfort.
Seine präzise Mechanik sorgt für ein sauberes Schaltgefühl und eine lange Lebensdauer im täglichen Betrieb.
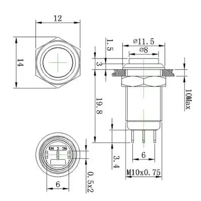
Technische Merkmale DIOH-GQ10-11J
- Einbaudurchmesser (mm): 10
- Schutzklasse IP /IK: 65 / 09
- Anschluss: Pin
- Anschlussspezifikation: 2.0 x 0.5 mm
- Betätigung: Tastend / Rastend
- Arbeitshub (mm): 2 mm
- Kontaktkonfiguration: 1NO, 1NC
- Strombelastbarkeit: 100mA / 12VDC
- Kontaktwiderstand: ≤ 50 mΩ
- Mechanische Lebensdauer: >100.000 times
- Elektrische Lebensdauer: >20.000 times
- Betriebstemperatur: -25°C - +80°C
- Plattendicke Einbau: 1-6mm
Durch seine mechanisch stabile Ausführung erfüllt der DIOH-GQ10-11J die Anforderungen moderner Steuerungs- und Bedienlösungen in Industrieanlagen, Medizingeräten, Kommunikationssystemen und im Maschinenbau. Seine kompakte Form ermöglicht eine hohe Packungsdichte im Design und eine einfache Integration in bestehende Systeme. Für Entwickler und Einkäufer bietet der Taster eine zuverlässige, kosteneffiziente Lösung, die sich dank standardisierter Maße und klarer Spezifikationen problemlos in Serienproduktionen integrieren lässt. Auf Wunsch ist der DIOH-GQ10-11J auch als Bestandteil individueller HMI-Lösungen erhältlich, die exakt auf spezifische Kundenanforderungen abgestimmt werden können.
Individuelle Drucktaster können Sie einfach in unserem Drucktaster-Konfigurator zusammenstellen und direkt anfragen.
Alle Angaben beruhen auf Aussagen unserer Lieferanten. Gewähr der Angaben nur durch explizite Bestätigung von N&H Technology. Technische Änderungen vorbehalten.









