Federkontakt SVPC-D-H202M0 – Double-End Pogo Pin
Der Double-End Federkontakt SVPC-D-H202M0, auch als beidseitig gefederter Pogo Pin bezeichnet, ist ein spezieller Kontaktstift mit zwei beweglichen Kolben.
Im Unterschied zu Standard-Pogo Pins, die einseitig in der Leiterplatte montiert werden, ermöglicht dieses Modell eine beidseitige, federnde Kontaktierung. Mit einer Gesamtlänge von 7.15 mm und einem Nennstrom bis 1A A bietet der Kontakt eine zuverlässige elektrische Verbindung für anspruchsvolle Board-to-Board-Anwendungen.
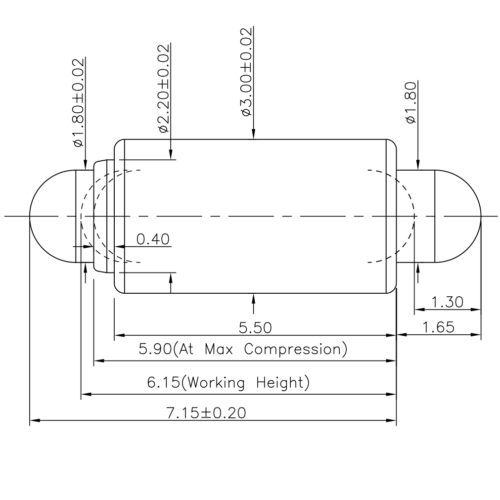
Dimension des SVPC-D-H202M0 (Angaben in mm)
Längen
- Länge Total (L0): 7.15
- Arbeitslänge (L1): 6.15
- Länge (L2): 5.50
- Länge (L3):
Durchmesser
- D0 – Kolben: 1.80
- D1 – Hülse: 3.00
- D2 – Basis:
Material & elektrische Eigenschaften
- Material Kolben: Kupfer-Beryllium, vergoldet
- Material Feder: Edelstahl
- Nennstrom (mind.): 1A A
Dimensionen Federkontakt

Beratung & Sonderlösungen
Unsere Ingenieure unterstützen Sie bei der Auswahl des passenden Double-End Federkontakts für Ihre Anwendung – beispielsweise mit Anpassungen an Federkraft, Stromtragfähigkeit (1A A) oder Kolbenmaterial (Kupfer-Beryllium, vergoldet). Auch kundenspezifische Varianten mit abweichender Länge oder Geometrie sind möglich.
Jetzt unverbindlich anfragen
Alle Federkontakte finden Sie auch in unserem Produktkatalog „Federkontakte“ >>
Alle Angaben beruhen auf Aussagen unserer Lieferanten. Gewähr der Angaben nur durch explizite Bestätigung von N&H Technology. Technische Änderungen vorbehalten.
 02154-81250
  02154-81250 Whats App
  Whats App info@nh-technology.de
  info@nh-technology.de





