Federkontakt SVPC-F-H061M0 – Flat Type Pogo Pin
Kompakter SMD-Federkontakt SVPC-F-H061M0 mit einer Gesamtlänge von 3.40 mm – ideal für Anwendungen in Test-, Lade- und Schnittstellensystemen, bei denen Platzersparnis und elektrische Zuverlässigkeit entscheidend sind.
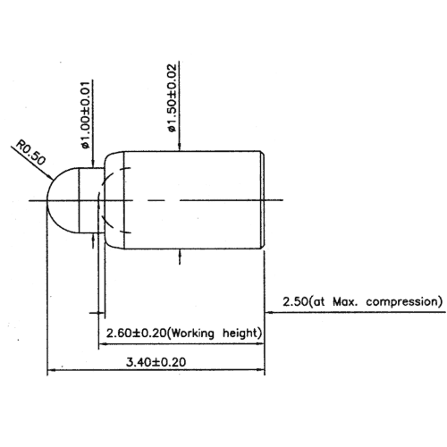
Technische Maße Federkontakt SVPC-F-H061M0
(Angaben in mm)
Längen des Federkontaktes SVPC-F-H061M0
- Gesamtlänge (0): 3.40
- Arbeitslänge (1) – Working Height: 2.60
- Länge (2): 2.50
- Länge (3): 2.50
Durchmesser des Federkontaktes SVPC-F-H061M0
- D (0) Kolben: 1.00
- D (1) Hülse: 1.50
- D (2) Basis: 2.10
Material & elektrische Eigenschaften
- Material Kolben: Kupfer-Beryllium, vergoldet
- Material Feder: Edelstahl
- Nennstrom (mind.): 1A
Dimensionen Federkontakt
Zeichnung SVPC-F-H061M0
Technische Beratung & individuelle Lösungen
Das technische Datenblatt zum Federkontakt SVPC-F-H061M0 senden wir Ihnen gerne auf Anfrage zu. Zudem bieten wir Mustermengen zum Pauschalpreis an.
Für spezifische Anforderungen – z. B. abweichende Arbeitslänge 2.60 mm oder andere Stromtragfähigkeit 1A – entwickeln unsere Experten passende Varianten.
Wir bieten kundenspezifische Designs und Anpassungen an Federkraft, Kolbenmaterial Kupfer-Beryllium, vergoldet oder Gehäuseform. Jetzt Kontakt aufnehmen
Alle Federkontakte finden Sie auch in unserem Produktkatalog „Federkontakte“ >>
Alle Angaben beruhen auf Aussagen unserer Lieferanten. Gewähr der Angaben nur durch explizite Bestätigung von N&H Technology. Technische Änderungen vorbehalten.






