Federkontakt SVPC-P-N181M4 – Plug-In Type Single zur THT-Bestückung
Der Plug-In Pogo Pin SVPC-P-N181M4 ist ein strapazierfähiger Federkontakt für THT-Bestückungen (Through Hole Technology). Er überzeugt durch eine Gesamtlänge von 8.70 mm und eine hohe Stromtragfähigkeit von 1A A, wodurch er sich besonders für robuste Leiterplattenverbindungen, Prüfadapter oder Ladeeinheiten eignet.
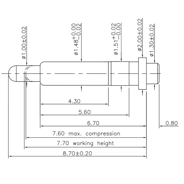
Technische Maße Federkontakt SVPC-P-N181M4
(Angaben in mm)
Längen des Federkontaktes SVPC-P-N181M4
- Gesamtlänge (0): 8.70
- Arbeitslänge (1) – Working Height: 7.70
- Länge (2): 6.70
- Länge (3): 0.80
Durchmesser des Federkontaktes SVPC-P-N181M4
- D0 – Kolben: 1.00
- D1 – Hülse: 1.48
- D2 – Basis: 2.00
- D3 – Tail (Anschlussbereich): 1.30
Material & elektrische Eigenschaften
- Material Kolben: Messing, vergoldet
- Material Feder: Edelstahl
- Nennstrom (mind.): 1A
Dimensionen Federkontakt
Zeichnung SVPC-P-N181M4
Technische Beratung & individuelle Lösungen
Das technische Datenblatt zum Federkontakt SVPC-P-N181M4 senden wir Ihnen gerne auf Anfrage zu. Zudem bieten wir Mustermengen zum Pauschalpreis an.
Für spezifische Anforderungen – z. B. abweichende Arbeitslänge 7.70 mm oder andere Stromtragfähigkeit 1A – entwickeln unsere Experten passende Varianten.
Wir bieten kundenspezifische Designs und Anpassungen an Federkraft, Kolbenmaterial Messing, vergoldet oder Gehäuseform. Jetzt Kontakt aufnehmen
Alle Federkontakte finden Sie auch in unserem Produktkatalog „Federkontakte“ >>
Alle Angaben beruhen auf Aussagen unserer Lieferanten. Gewähr der Angaben nur durch explizite Bestätigung von N&H Technology. Technische Änderungen vorbehalten.






