Federkontakt SVPC-RP-P5982PP02 – 360° Rolling Pogo Pin
Der Rolling Type Federkontakt SVPC-RP-P5982PP02 wurde für dynamische Kontaktierungen entwickelt und ermöglicht eine zuverlässige 360°-Verbindung zwischen bewegten Bauteilen.
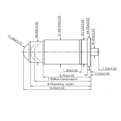
Durch den Kolben mit integrierter Kugelspitze bleibt die Kontaktfläche auch bei seitlichen, rotierenden oder vibrierenden Bewegungen stabil und gleichmäßig leitfähig. Mit einer Gesamtlänge von 9.45 mm und einem Nennstrom bis 1A A ist dieser Pogo Pin für anspruchsvolle Anwendungen in der Elektronik prädestiniert. Die federbelastete Kugel reduziert Übertragungsstörungen, die durch Erschütterungen oder Vibration entstehen können.
Technische Merkmale SVPC-RP-P5982PP02
- Typ: Plug-In Type
- Nennstrom (mind.): 1A A
- Gesamtlänge: 9.45 mm, Arbeitslänge: 8.45 mm
- Verfügbare Varianten: SMD- oder THT-Bestückung
- Kolben-Ø 2.90 mm, Hülse-Ø 3.44 mm
Abmessungen (in mm)
- Gesamtlänge (L0): 9.45
- Arbeitslänge (L1): 8.45
- Tail-Länge (L2): 1.10
- D0 – Kolben: 2.90
- D1 – Hülse: 3.44
Dimensionen Federkontakt

Zeichnung SVPC-RP-P5982PP02
Technische Beratung & individuelle Lösungen
Das technische Datenblatt zum Federkontakt SVPC-RP-P5982PP02 senden wir Ihnen gerne auf Anfrage zu. Zudem bieten wir Mustermengen zum Pauschalpreis an.
Für spezifische Anforderungen – z. B. abweichende Arbeitslänge 8.45 mm oder andere Stromtragfähigkeit 1A – entwickeln unsere Experten passende Varianten.
Wir bieten kundenspezifische Designs und Anpassungen an Federkraft, Kolbenmaterial oder Gehäuseform. Jetzt Kontakt aufnehmen
Alle Federkontakte finden Sie auch in unserem Produktkatalog „Federkontakte“ >>
Alle Angaben beruhen auf Aussagen unserer Lieferanten. Gewähr der Angaben nur durch explizite Bestätigung von N&H Technology. Technische Änderungen vorbehalten.





