Federkontakt SVPC-P-P5650FH01 – Plug-In Type Single zur THT-Bestückung
Der Plug-In Pogo Pin SVPC-P-P5650FH01 ist ein strapazierfähiger Federkontakt für THT-Bestückungen (Through Hole Technology). Er überzeugt durch eine Gesamtlänge von 8.08 mm und eine hohe Stromtragfähigkeit von 9A A, wodurch er sich besonders für robuste Leiterplattenverbindungen, Prüfadapter oder Ladeeinheiten eignet.
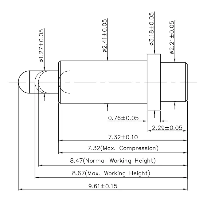
Technische Maße Federkontakt SVPC-P-P5650FH01
(Angaben in mm)
Längen des Federkontaktes SVPC-P-P5650FH01
- Gesamtlänge (0): 8.08
- Arbeitslänge (1) – Working Height: 6.94
- Länge (2): 5.79
- Länge (3): 1.53
Durchmesser des Federkontaktes SVPC-P-P5650FH01
- D0 – Kolben: 1.27
- D1 – Hülse: 2.41
- D2 – Basis: 3.18
- D3 – Tail (Anschlussbereich): 2.21
Material & elektrische Eigenschaften
- Material Kolben: Messing, vergoldet
- Material Feder: Edelstahl
- Nennstrom (mind.): 9A
Dimensionen Federkontakt
Zeichnung SVPC-P-P5650FH01
Technische Beratung & individuelle Lösungen
Das technische Datenblatt zum Federkontakt SVPC-P-P5650FH01 senden wir Ihnen gerne auf Anfrage zu. Zudem bieten wir Mustermengen zum Pauschalpreis an.
Für spezifische Anforderungen – z. B. abweichende Arbeitslänge 6.94 mm oder andere Stromtragfähigkeit 9A – entwickeln unsere Experten passende Varianten.
Wir bieten kundenspezifische Designs und Anpassungen an Federkraft, Kolbenmaterial Messing, vergoldet oder Gehäuseform. Jetzt Kontakt aufnehmen
Alle Federkontakte finden Sie auch in unserem Produktkatalog „Federkontakte“ >>
Alle Angaben beruhen auf Aussagen unserer Lieferanten. Gewähr der Angaben nur durch explizite Bestätigung von N&H Technology. Technische Änderungen vorbehalten.






