Federkontakt SVPC-R-H012M7 – Right Angle Type zur THT-Bestückung
Der Right Angle Federkontakt SVPC-R-H012M7 besitzt einen abgewinkelten Anschlussbereich (90°-Bauform) und ist für die THT-Bestückung (Through Hole Technology) auf Leiterplatten konzipiert.
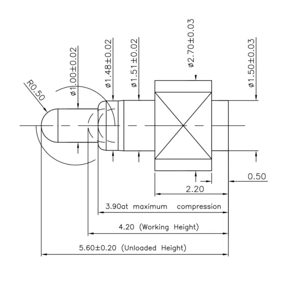
Technische Daten des Right Angle Pogo Pins
Angaben in mm
Längen
- Gesamtlänge (L0): 5.60
- Arbeitshöhe (L1): 4.20
- Länge (L2): 3.90
- Länge (L3): 1.70
Durchmesser
- D0 – Kolben: 1.00
- D1 – Hülse: 1.51
- D2 – Basis: 2.70
- D3 – Tail (abgewinkelter Anschluss):
Material & elektrische Eigenschaften
- Material Kolben: Kupfer-Beryllium, vergoldet
- Material Feder: Edelstahl
- Nennstrom (mind.): 1A A
Dimensionen Federkontakt
Zeichnung SVPC-R-H012M7
Jetzt Produktkatalog für Federkontakte (PDF) herunterladen und passende Modelle vergleichen.
Technische Beratung & individuelle Lösungen
Das technische Datenblatt zum Federkontakt SVPC-R-H012M7 senden wir Ihnen gerne auf Anfrage zu. Zudem bieten wir Mustermengen zum Pauschalpreis an.
Für spezifische Anforderungen – z. B. abweichende Arbeitslänge 4.20 mm oder andere Stromtragfähigkeit 1A – entwickeln unsere Experten passende Varianten.
Wir bieten kundenspezifische Designs und Anpassungen an Federkraft, Kolbenmaterial Kupfer-Beryllium, vergoldet oder Gehäuseform. Jetzt Kontakt aufnehmen
Alle Federkontakte finden Sie auch in unserem Produktkatalog „Federkontakte“ >>
Alle Angaben beruhen auf Aussagen unserer Lieferanten. Gewähr der Angaben nur durch explizite Bestätigung von N&H Technology. Technische Änderungen vorbehalten.






