Federkontakt Right Angle Type
Federkontakte im 90°-Design für platzsparende Baugruppen
Wir bieten ein vielfältiges Sortiment an Federkontakten im Right Angle Design, die speziell für die THT-Montage (Through Hole Technology) entwickelt wurden. Diese Federkontakte besitzen einen abgewinkelten Anschlussbereich (90°-Bauform) und eignen sich ideal für Anwendungen, bei denen eine seitliche Kontaktierung oder eine platzsparende Bauweise erforderlich ist – beispielsweise bei Geräten mit begrenzter Einbauhöhe oder rechtwinklig angeordneten Leiterplatten.
Right Angle Federkontakte bieten eine zuverlässige elektrische Verbindung und eine robuste mechanische Stabilität, auch unter Vibration oder wiederholten Steckzyklen.
Zusätzlich bieten wir umfangreiche Möglichkeiten zur kundenspezifischen Anpassung, darunter: Anpassung der Federkraft, Auswahl unterschiedlicher Oberflächenbeschichtungen (z. B. Gold, Nickel) und individuelle Anpassung von Länge, Durchmesser und Rastermaß.
Bitte kontaktieren Sie uns einfach. Unsere Ingenieure helfen Ihnen gerne weiter.Spalteninhalt

Alle 10 Ergebnisse werden angezeigt
Filter Sortieren
Reset Erlauben
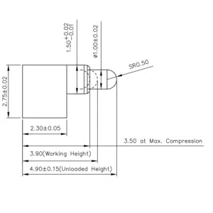
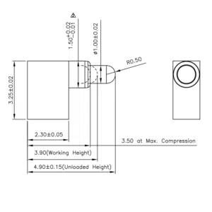
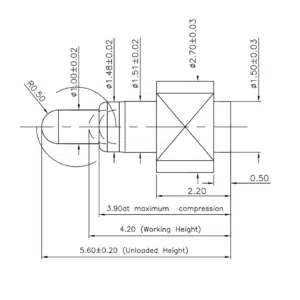
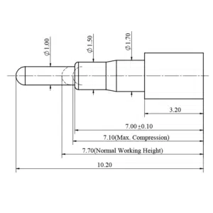
Part | L(1) | L(0) | D(2) | Strom (min.) | ||
|---|---|---|---|---|---|---|
| | 3.90 | 4.90 | 2.75 | 1A | | |
| | 3.90 | 4.90 | 3.25 | 1A | | |
| | 3.90 | 4.90 | 2.10 | 1A | | |
| | 3.90 | 4.90 | 1.50 | 1A | | |
| | 4.20 | 5.10 | 2.00 | 1A | | |
| | 4.20 | 5.20 | 2.10 | 1A | | |
| | 4.30 | 5.30 | 2.10 | 1A | | |
| | 4.30 | 5.30 | 2.10 | 1A | | |
| | 4.20 | 5.60 | 2.70 | 1A | | |
| | 7.70 | 10.20 | 2.50 | 2A | |









